Electrical Safety – Understanding Split Phase Power
Energy in a typical residential system is delivered by single phase power from the municipal power grid. It is important to understand the theory as well as the wiring of these systems. The review of any type of AC power system requires an understanding of how voltages and currents interact in a circuit. This blog aims at a detailed view of split phase wiring.
- Every country has its own voltages and frequencies, I will limit the conversation to North America. The typical voltage in Canada is 120VAC, 240VAC, 60Hz split phase.
- There are different services available for a residential system, depending on power requirements. Typically, 100 Amps or 200 Amps service.
CSA 22.1 – Canadian Electrical Code Section
This section nails down how power should be received into a residential building as illustrated in image below.
- Single Phase (Split Phase). Power enters the residence from the meter box which contains;
- The Hot wires or Line are typically Black and Black (Note: Different colors my exist but the panel box typically is black and black).
- The neutral wire is white and comes from the transformer.
- From the meter box split phase wiring in run inside the house to the Main breaker inside the fuse box (typical).
- The HOT WIRE BLACK (Phase A) is 120VAC, 60Hz with respect to ground
- The HOT WIRE BLACK (Phase B) is 120VAC, 60 Hz with respect to ground.
- The Neutral Wire (White) is zero volts with respect to ground.
- With respect to each other Black to Black there is 240VAC, 60Hz.
The Ground Wire
- Ground: It is NOT used for carrying operational current. Ground is used for fault conditions where fault current will run to trip the breaker.
- Ground is a return path for fault currents. Ground faults are an abnormal operation where immediate action is required to halt the current flow (fuses, breakers).\
- Uncontrolled ground faults are dangerous as fault currents are travelling through any path (any conductive part) rated or not to ground.
- Ground does not come from the transformer in a residence, it is originates at the building ground plane (Typically the water copper pipes) and is connected by the bonding conductor to the fuse box Ground Bar.
- The Ground wire (bare wire) then leaves the fuse box as ground. Its not the bonding conductor at this point, it’s the ground wire. The reason why is that there are different requirements for these two conductors.
- Romex, BX and other types of wiring have options for 3 or 4 wire. 3 wire is one black one white and one ground, 4 wire is two blacks, one white, one ground. This depends on the circuit being powered (120 or 240) and split phase loads.
- Ground is used for chassis ground on all metal appliances where you can touch metal, Ceiling fans, some appliances that are not double insulated…..etc. Required to prevent live chassis (which is extremely dangerous).
- Ground is tied to the third prong on all plugs, yes and the box holding all receptacles and lights.
The Hot Wire(s)
- The Black wires also called the Hot wires or line wires are so because they are live. They have voltage above ground 120VAC and 240VAC between themselves.
- Hot wires always have insulation
- Hot wires are run to the LINE side of all devices (switches, receptacles etc.) and exit devices like switches up to the load as black.
- Hot wires carry the amperage and are sized based on the circuit service.
- The hot wires are connected to the breakers in the fuse box sized for the wire and service.
The Neutral Wire
- The Neutral wire is white and is GROUNDED at the transformer in Canada. The voltage of a neutral wire is more or less zero 0V above ground. It is not the ground wire because is carries the operational current from the load under normal conditions back to the transformer.
- Hot neutrals are dangerous and against code.
- The Neutral wire is zero volts its grounded at the transformer.
- The neutral wire carries operational current at a voltage of zero above ground.
- Neutral wire are dangerous because if it is disconnected under load it won’t be zero volts. Breaking the neutral wire; one side will be zero volts the load side will be full voltage at the break.
Theory: Understanding Split Phase
- Split phase could be thought of as two single phase sources of 120 VAC together (see diagram)
- Phase A and Phase B can be used to describe each AC voltage sources.
- Phase A and Phase B are not in phase with each other. They are out of phase by 180Deg (for a split phase system). See diagram the phases are mirror images of one another but opposing (because of the 180 phase shift).
- Phase shifting produces a voltage of 240VAC between the two black wire phases (the black wires).
- You need an oscilloscope to see phase relationships.
Split Phase voltages:

Visual Phase relationship: Phase A is 180Deg out of phase with Phase B
Describing Phases Mathematically
We need a method of describing the relationship between phases in a any power system. We use vectors for this relationship. Why…because of phase. We cannot simply add voltages and currents together without considering phase.
Note here: A volt meter does not measure phase differences and does not consider vector math. Things do go wrong when you begin adding meter readings. Continue reading…
- Vector: A vector is a way of describing a number (like voltage) and considering its phase.
- The symbol for a vector quantity is v or v®.
- Vectors can be described as a magnitude (120) and a phase angle (180Deg).
- Values described this way are called phasors.
- Phasor is described with a value and an angle written 120Ð
Visualizing a Phasor: Phase A 120Ð0deg- describes Phase A (hot wire).

Visualizing a Phasor: Phase B 120Ð180deg- describes Phase B (hot wire).

Split Single Phase Loads
- The load in a residential system is placed between the breaker (black wire Hot) leaving the box and the neutral return.
- The diagram below shows Phase A with load #1 and load #2. Current is leaving the fuse box and traveling to the load (say a toaster and a coffee machine) then back through the neutral to the fuse box neutral bar.
- In real life each single-phase circuit has its own neutral wire. So the neutral wire in residential housing single phase 120V circuits is carrying the full current of the circuit back to the fuse box neutral bar.
- The neutral wire in romex and bx cables are sized to the same as the hot wire for this reason (3 wire cable Black-White-Gnd).
- The neutral wire is zero volts with respect to ground.
- The receptacle (shown as a line) would be a polarized plug with the short prong on black the longer prong on white and the ground in the plug ground.
Single Phase Residential Circuit (120VAC, 3 wire)
Power to the split phase balanced load:
- A residential split phase load can be used to power sub panels with various load on each phase which are taken back to the main panel via spit phase wire.
- There are two phases and a neutral wire leading to the sub panel.
- Romex and bx cable will have 4 wires. Black-black-white-ground.
- For our case we are going to assume the load is a series of sockets hanging off of two phases.
- The load is balanced, currents are the same in each phase. Which is never the case in the real word but let say it is.
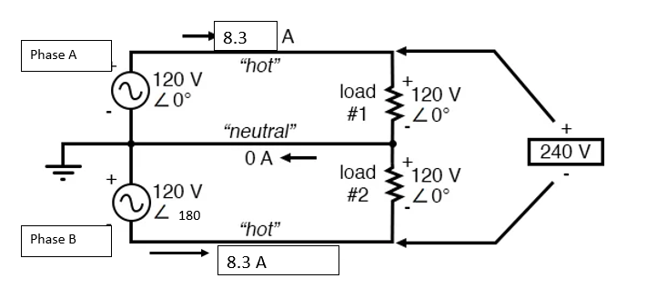
The balanced load
Calculating the Neutral Current Split Phase Load Balanced
The current in the neutral is a sum of phase A current and Phase B current, since phase current A and Phase current B both meet at the neutral they are added as vectors.
Using vectors we would say the sum of the current in the neutral is 8.3Ð0Deg A (Phase A Current) + 8.3Ð180Deg A (Phase B Current).
Pictorially: Vector Sum

Using a trusty calculator (with complex math function polar sum and products) we get 8.3Ð0Deg A + 8.3Ð180Deg A=0 A.
Therefore
In a fully balanced split phase system the neutral current is zero.
Another way of saying it: The neutral current is the sum of the currents in each phase. For a balanced system the neutral current is zero.
Power to the split phase unbalanced load:
- For our second case we are going to assume the load is a series of sockets hanging off of two phases.
- The load is unbalanced, currents are not the same in each phase. Which is always the case in a normal multiphase multi load system.
The unbalanced load

The current in the neutral is a sum of phase A current and Phase B current.
Using vectors we would say In is 8.3Ð0Deg A + 10.3Ð180Deg A.
Pictorially: Vector Sum

Using a trusty calculator we get 8.3Ð0Deg A + 10.3Ð180Deg A=2Ð180 A.
This means: 2 amps return current in phase with Phase B, out of phase with phase A by 180Deg in running in the neutral wire.
In an unbalanced system the current in the neutral is the vector sum of the unbalanced load.
The phase of the return current depends on the vector sum results.
Neutral phase current could be either in phase with Phase A or in phase with Phase B depending on the load sums.
Got a Question?
We’re here to answer your questions and help you get started right away. Call or send us a message anytime.

Megalab Group
Megalab offers ISO 17025 A2LA Accredited, EMC, Product Safety, Mechanical & Laboratory Testing Services. Megalab Group Inc. and its team are committed to meet and exceed our customers’ expectations as an industry leader in environmental and related regulatory testing services, through constant business improvement while upholding the highest integrity and quality in standards of all services we provide.
Learn more at www.megalabinc.com







